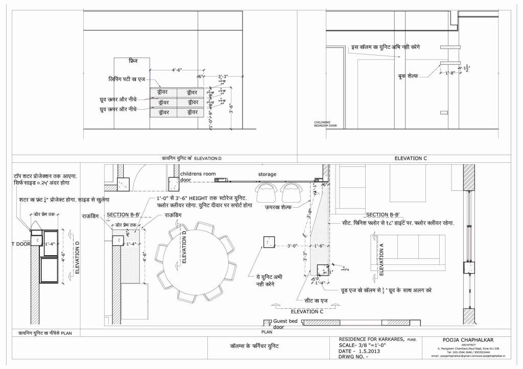
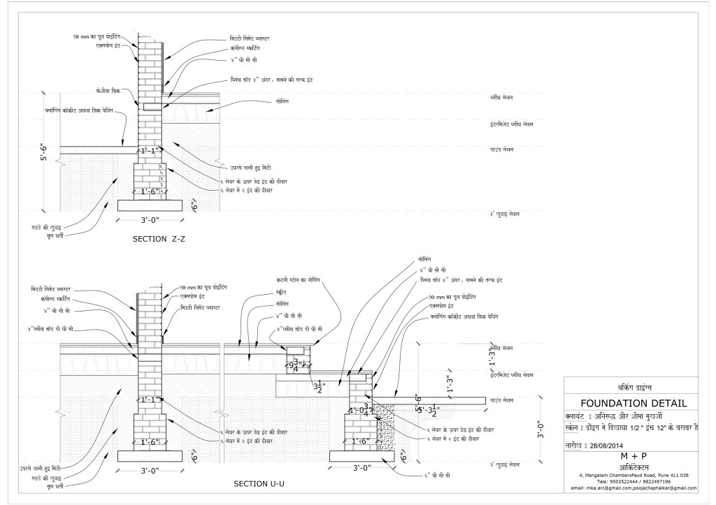
AUTOCAD DRAWINGS IN HINDI
We often work directly with craftsmen and contractors from rural/tribal areas and their labour. Some English words are visually familiar to them. However, if instructions are written in Hindi/Marathi, it becomes easier for their reference. This effort has given us excellent results and a lot of appreciation from workers, contractors and clients alike.
These two drawings are from two different projects. One, a furniture drawing for carpenters for a project in Pune, while the other is a verandah foundation detail drawing for a project in a tribal village near Kanha National Park, Madhya Pradesh.
CONSTRUCTION MANUAL FOR SMOKELESS CHULHAS
A construction guidelines manual drawn for smokeless chulhas developed by CLR India in their Fulwaris. Script written by Peeyush Sekhsaria. This showed a step by step process on how to build a smokeless chulha using materials found in local villages in Chattisgarh. The manual was translated into Hindi for the locals. The chulhas are predominantly built by women who also run these fulwaris for toddlers in their local villages.
CONSTRUCTION MANUAL FOR CYCLONE RESISTANT HOUSING
This is the first part in an ongoing series for cyclone resistant housing done in collaboration with Subhash Dolas from Yelavali (Bhimashankar) and Peeyush Sheksaria. This the Marathi language manual showing a set of small interventions for the roof structures of existing houses which are the most vulnerable in cyclonic storms which are likely to plague the coast of Maharashtra and the Western Ghats more frequently due to climate change.


